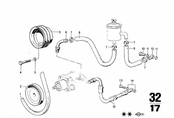
Końcówka przyłączeniowa
32411117545
0,00 zł
Zaloguj się aby sprawdzić dostępność
| Numer części | 32 41 1117545 |
|---|---|
| Typ pojazdu | |
| Waga | 6 g |
| Stan | Nowy produkt |
Część zastosowana w pojazdach:
| Seria | Model | Silnik | Karoseria | Rynek | |
|---|---|---|---|---|---|
|
2500-3.3Li
11 pozycji
|
|||||
|
3' E21
10 pozycji
|
|||||
|
5' E12
4 pozycji
|
|||||
|
6' E24
4 pozycji
|
|||||
|
7' E23
9 pozycji
|
|||||
| Schematy montażowe |
Hydr. przekładnia kierownicza
Hydr. układ kier./przewody oleju
|
|---|---|
| Serie pojazdów |
E12
E21
E23
E24
|