Zdjęcie/schemat produktu -7.0 %

5' E12 / M10 / 518 / Hydr.układ kier.-pompa łopatk./koz. łoż.

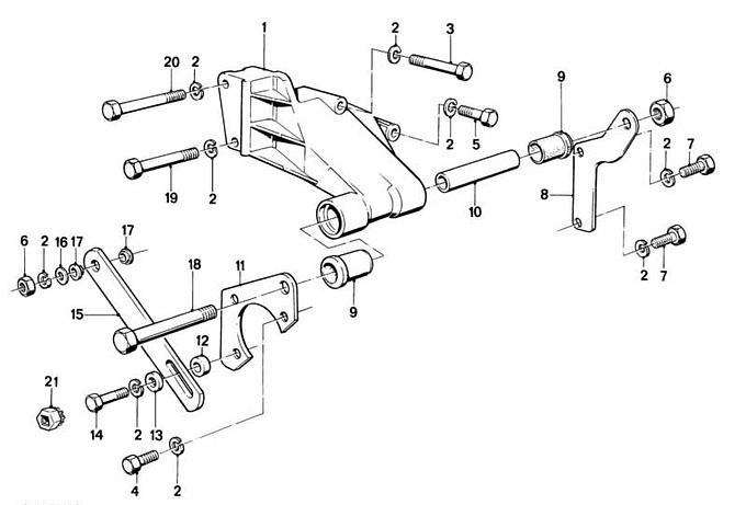
Uchwyt

32411251276

41,19 zł

44.29 zł

7-10 dni

41,19 zł
Część zastąpiona, dostępna - bez nowego numeru części.
Numer części 32 41 1251276
Typ pojazdu
Waga 15 g
Stan Nowy produkt
Pozycja na schemacie 8

Część zastosowana w pojazdach:

Dobór części po numerze VIN daje pewność właściwego doboru części do pojazdu. wyszukiwanie wg VIN
Seria Model Silnik Karoseria Rynek
Dane zagregowane; mogą dotyczyć różnych wersji wyposażenia/rynku.
Schematy montażowe
Hydr.układ kier.-pompa łopatk./koz. łoż.
Serie pojazdów
E12 E21

Zakupy wg kategorii