-7.0 %
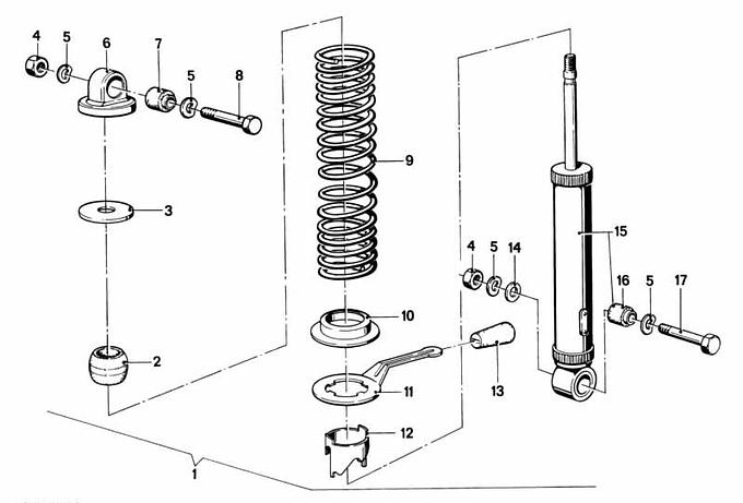
Łożysko gumowe
33532301586
117,57 zł
brak
| Numer części | 33 53 2301586 |
|---|---|
| Typ pojazdu | |
| Waga | 2 g |
| Stan | Nowy produkt |
Część zastosowana w pojazdach:
| Seria | Model | Silnik | Karoseria | Rynek | |
|---|---|---|---|---|---|
|
R 100, /7, /T, CS, RS, RT, S (76-84)
13 pozycji
|
|||||
|
R45-R65LS..78-85
9 pozycji
|
|||||
|
R50/5-R90S 69-76
8 pozycji
|
|||||
|
R 60, R 75 , R 80, /7, RT (76-85)
10 pozycji
|
|||||
| Schematy montażowe |
Amortyzator tylny
Zawieszenie samopoziomujące
|
|---|---|
| Serie pojazdów |
R45
R50
R65
R90
|