Klocki hamulcowe, bezazbestowe

34211159265

263,81

263.81 zł

7-10 dni

263,81 zł
Część w aktualnym łańcuchu zamienności.
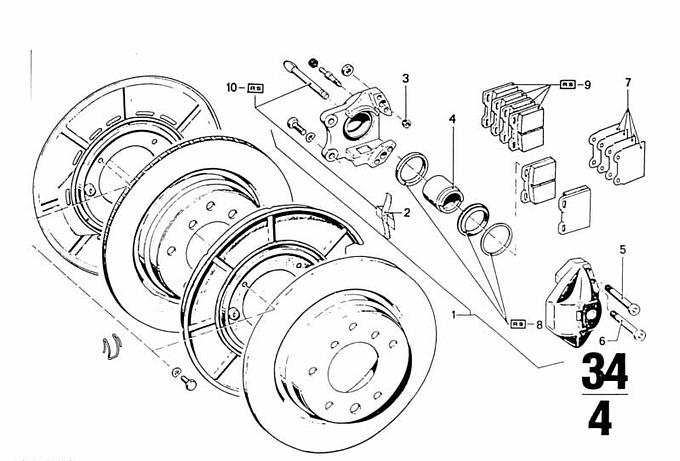
Numer części 34 21 1159265
Typ pojazdu
Waga 57 g
Stan Nowy produkt

Część zastosowana w pojazdach:

Dobór części po numerze VIN daje pewność właściwego doboru części do pojazdu. wyszukiwanie wg VIN
Seria Model Silnik Karoseria Rynek
Dane zagregowane; mogą dotyczyć różnych wersji wyposażenia/rynku.
Schematy montażowe
Hamulec tylnego koła Hamulec tylnego koła-hamulec tarczowy Hamulec tył-okładzina-czujnik
Serie pojazdów
E12 E24

Zakupy wg kategorii