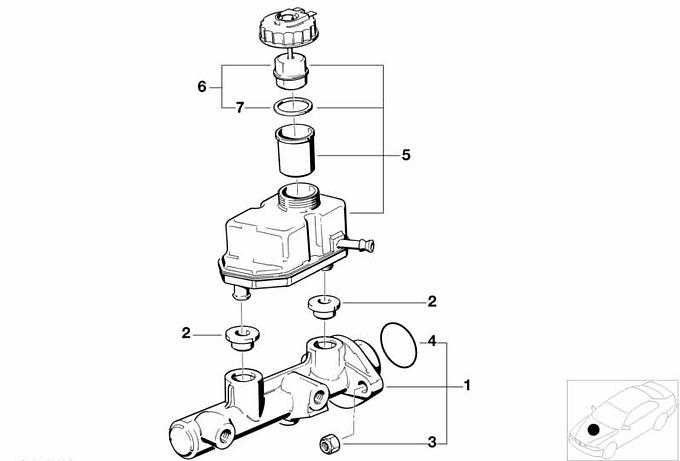
Zbiornik płynu ham. z czujnikiem

34321165064

346,80

346.8 zł

7-10 dni

346,80 zł
Element zastąpiony nowym numerem katalogowym.
Numer części 34 32 1165064
Typ pojazdu
Waga 17 g
Stan Nowy produkt

Część zastosowana w pojazdach:

Dobór części po numerze VIN daje pewność właściwego doboru części do pojazdu. wyszukiwanie wg VIN
Seria Model Silnik Karoseria Rynek
Dane zagregowane; mogą dotyczyć różnych wersji wyposażenia/rynku.
Schematy montażowe
Główny cyl. hamulc./Zbiornik wyrówn.
Serie pojazdów
E38 E39

Zakupy wg kategorii