Zdjęcie/schemat produktu

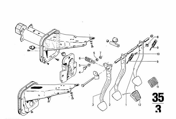
7' E23 / M30 / 728 / Dźwignia nożna

Nakładka pedału

35311101598

46,11

46.11 zł

3-5 dni

46,11 zł
Część zastąpiona, dostępna - bez nowego numeru części.
Numer części 35 31 1101598
Typ pojazdu
Waga 4 g
Stan Nowy produkt
Pozycja na schemacie 3

Część zastosowana w pojazdach:

Dobór części po numerze VIN daje pewność właściwego doboru części do pojazdu. wyszukiwanie wg VIN
Seria Model Silnik Karoseria Rynek
Dane zagregowane; mogą dotyczyć różnych wersji wyposażenia/rynku.
Schematy montażowe
Kozioł łoż. dźwig. nożn./Pedał sprzęgła Kozioł łożyskowy dźwigni nożnej Dźwignia nożna
Serie pojazdów
E23

Zakupy wg kategorii