Zdjęcie/schemat produktu

7' E32 / M30 / 730i / Regulacja poziomu/Przewody/Elem. dod.

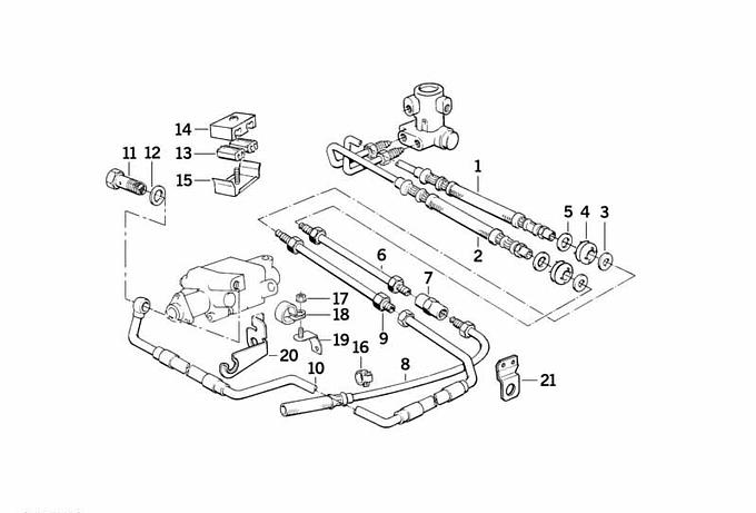
Przewód powrotny

37131133380

595,86

595.86 zł

brak

Brak
Towar wycofany z produkcji, bez części zamiennej.
Numer części 37 13 1133380
Typ pojazdu
Waga 9 g
Stan Nowy produkt
Pozycja na schemacie 26

Część zastosowana w pojazdach:

Dobór części po numerze VIN daje pewność właściwego doboru części do pojazdu. wyszukiwanie wg VIN
Seria Model Silnik Karoseria Rynek
Dane zagregowane; mogą dotyczyć różnych wersji wyposażenia/rynku.
Schematy montażowe
Regulacja poziomu/przewody przednie Regulacja poziomu/Przewody/Elem. dod.
Serie pojazdów
E32 E34

Zakupy wg kategorii