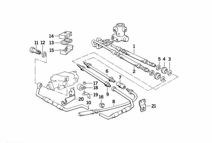
Przewód dopływowy

37131141905

1 051,71

1051.71 zł

7-10 dni

1 051,71 zł
Element zastąpiony nowym numerem katalogowym.
Numer części 37 13 1141905
Typ pojazdu
Waga 47 g
Stan Nowy produkt

Część zastosowana w pojazdach:

Dobór części po numerze VIN daje pewność właściwego doboru części do pojazdu. wyszukiwanie wg VIN
Seria Model Silnik Karoseria Rynek
Dane zagregowane; mogą dotyczyć różnych wersji wyposażenia/rynku.
Schematy montażowe
Regulacja poziomu/przewody przednie
Serie pojazdów
E34

Zakupy wg kategorii