-
381,24 zł -
-4.0%
Sterownik akt. układu kierowniczego
32436766781
4 268,21 zł 4 097,48 zł Oszczędź 170,73 zł -
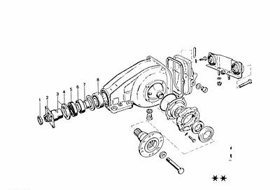
Tulejka z wieńcem
32717696850
27,20 zł -
Łożysko wałeczkowo-stożkowe
33121204305
321,09 zł -
Tarcza przeciwpyłowa mała
33131214447
101,30 zł -
-8.1%
Pierścień zabezpieczający
33131214961
3,84 zł 3,53 zł Oszczędź 0,31 zł -
-8.0%
Podkładka przeciwpyłowa zew.
33131428097
213,77 zł 196,67 zł Oszczędź 17,10 zł -
-8.0%
Tarcza przeciwpyłowa duża
33131428161
66,19 zł 60,89 zł Oszczędź 5,30 zł -
-8.0%
Tarcza przeciwpyłowa mała
33131428162
67,34 zł 61,96 zł Oszczędź 5,38 zł -
Kołnierz mocujący przekazania napędu
33131428249
435,22 zł -
-9.0%
Kołnierz mocujący przekazania napędu
33131428250
609,76 zł 554,88 zł Oszczędź 54,88 zł -
Kołnierz mocujący przekazania napędu
33131428252
350,23 zł